
一,概述:同步電動機可以通過調節其勵磁電流來改善電網的功率因數,因而在不需要調速的低速大功率機械中得到較廣泛的應用。隨著變頻技術的不斷發展,同步電動機的起動和調速問題都得到了解決,從而進一步擴大了其應用范圍。本文先介紹了同步電機及同步電動機的工作原理,而后就同步電動機的異步起動和變頻起動進行了Simulink仿真,并作簡要分析。
1, 同步電機的基本原理
同步電機和感應電機一樣是一種常用的交流電機。特點是穩態運行時,轉子的轉速和電網頻率之間有不變的關系n=ns=60f/p,ns稱為同步轉速。若電網的頻率不變,則穩態時同步電機的轉速恒為常數而與負載的大小無關。
同步電機分為同步發電機和同步電動機。現代發電廠中的交流電機以同步電機為主。
1.1工作原理
主磁場的建立:勵磁繞組通以直流勵磁電流,建立極性相間的勵磁磁場,即建立起主磁場。
載流導體:三相對稱的電樞繞組充當功率繞組,成為感應電勢或者感應電流的載體。
切割運動:原動機拖動轉子旋轉(給電機輸入機械能),極性相間的勵磁磁場隨軸一起旋轉并順次切割定子各相繞組(相當于繞組的導體反向切割勵磁磁場)。
交變電勢的產生:由于電樞繞組與主磁場之間的相對切割運動,電樞繞組中將會感應出大小和方向按周期性變化的三相對稱交變電勢。通過引出線,即可提供交流電源。
交變性與對稱性:由于旋轉磁場極性相間,使得感應電勢的極性交變;由于電樞繞組的對稱性,保證了感應電勢的三相對稱性。
圖1 同步電機的三種運行狀態
a)發電機 b)補償機 c)電動機
1.2運行方式
同步電機的主要運行方式有三種,即作為發電機、電動機和補償機運行。 作為發電機運行是同步電機最主要的運行方式,作為電動機運行是同步電機的另一種重要的運行方式。同步電動機的功率因數可以調節,在不要求調速的場合,應用大型同步電動機可以提高運行效率。近年來,小型同步電動機在變頻調速系統中開始得到較多地應用。 同步電機還可以接于電網作為同步補償機。這時電機不帶任何機械負載,靠調節轉子中的勵磁電流向電網發出所需的感性或者容性無功功率,以達到改善電網功率因數或者調節電網電壓的目的。分析表明,同步電機運行于哪一種狀態,主要取決于定子合成磁場與轉子主極磁場之間的夾角δ,δ稱為功率角。
若轉子主磁場趨超前于定子合成磁場,δ>0,此時轉子上將受到一個與其旋轉方向相反的制動性質的電磁轉矩,如圖1a)所示。為使轉子能以同步轉速持續旋轉,轉子必須從原動機輸人驅動轉矩。此時轉子輸入機械功率,定子繞組向電網或負載輸出電功率,電機作發電機運行。
若轉子主極磁場與定子合成磁場的軸線重合,即δ=0,則電磁轉矩為零,如圖1b)所示。此時電機內沒有有功功率的轉換,電機處于補償機狀態或空載狀態。
若轉子主極磁場滯后于定子合成磁場,即δ<0,則轉子上將受到一個與其轉向相同的驅動性質的電磁轉矩,如圖1c)所示。此時定子從電網吸收電功率,轉子可拖動負載而輸出機械功率.電機作為電動機運行。
1.3基本結構
同步電機按其結構型式可分為旋轉電樞式和旋轉磁極式兩種。在實際應用中,需要通過滑環將電功率自轉子部分導入或者引出。由于同步電機的電樞功率極大,電壓較高,因而不容易由滑環導入或引出。由于勵磁繞組的功率與電樞的功率相比,所占比例較小,勵磁電壓通常又較低,因此使磁極旋轉,通過滑環為勵磁繞組供電容易實現。因此旋轉電樞式只適用于小容量同步電機,同步電機的基本結構形式是旋轉磁極式。同步電機的基本結構與直流電機和異步電機相同,都是由定子與轉子兩大部分組成。

圖2旋轉電樞式同步電機 圖3旋轉磁極式同步電機
a)隱極式b)凸極式
1.3.1定子
由鐵心、電樞繞組、機座以及端蓋等結構件組成。
定子鐵心是構成磁路的部件,一般采用硅鋼片疊裝而成,以減少磁滯和渦流損耗。定子沖片分段疊裝,每段之間有通風槽片,以構成徑向通風。大型同步電機由于尺寸太大,硅鋼片常為扇形沖片,然后組裝成圓形。
電樞繞組為三相對稱交流繞組,多為雙層繞組,嵌裝在定子槽內。
定子機座是支承部件,用于安放定子鐵心和電樞繞組,并構成所需的通風路徑,因此要求它有足夠的剛度和強度。大型同步電機的機座都采用鋼板焊接結構。
端蓋的作用與異步電機相同,將電機本體的兩端封蓋起來,并與機座、定子鐵心和轉子一起構成電機內部完整的通風系統。
1.3.2轉子
與異步電機轉子結構不同,通常由轉子鐵心、轉軸、阻尼繞組、勵磁繞組和滑環等組成。同步電機的轉子結構有兩種類型,可分為隱極式和凸極式兩種。
隱極式轉子如圖3a)所示,轉子呈圓柱形,無明顯的磁極。隱極式轉子的圓周上開槽,槽中嵌放分布式直流勵磁繞組。隱極式轉子的機械強度高,故多用于高速同步電機,例如汽輪發電機。在同步電機運行過程中,轉子由于高速旋轉而承受很大的機械應力,所以隱極式轉子大多由整塊強度高和導磁性能好的鑄鋼或鍛鋼加工而成。隱極電機的氣隙是均勻的,圓周上各處的磁阻相同。
凸極式轉子如圖3b)所示,結構比較簡單,磁極形狀與直流機相似,磁極上裝有集中式直流勵磁繞阻。凸極式轉子制造方便,容易制成多極,但是機械強度低,多用于中速或低速的場合,例如水輪發電機或者柴油發電機。凸極電機的氣隙是不均勻的,圓周上各處的磁阻各不相同,在轉子磁極的幾何中線處氣隙******,磁阻也大。
此外,同步電機轉子磁極表面都裝有類似籠型異步電機轉子的短路繞組,由嵌入磁極表面的若干銅條組成,這些銅條的兩端用短路環聯結起來。此繞組在同步發電機中起到了抑制轉子機械振蕩的作用,稱為阻尼繞組;在同步電動機中主要作起動繞組使用,同步運行時也起穩定作用。
滑環裝在轉子軸上,經引線接至勵磁繞組,并借電刷接到勵磁裝置。
2 同步電動機
轉子轉速與定子旋轉磁場的轉速相同的交流電動機。其轉子轉速n與磁極對數p、電源頻率f之間滿足n=f/p。轉速n決定于電源頻率f,故電源頻率一定時,轉速不變,且與負載無關。具有運行穩定性高和過載能力大等特點。常用于多機同步傳動系統、精密調速穩速系統和大型設備(如軋鋼機)等。屬于交流電機,定子繞組與異步電動機相同。它的轉子旋轉速度與定子繞組所產生的旋轉磁場的速度是一樣的,所以稱為同步電動機。正由于這樣,同步電動機的電流在相位上是超前于電壓的,即同步電動機是一個容性負載。為此,在很多時候,同步電動機是用以改進供電系統的功率因數的。
同步電動機在結構上大致有兩種:
1、轉子用直流電進行勵磁。它的轉子做成凸極式的,安裝在磁極鐵芯上面的磁場線圈是相互串聯的,接成具有交替相反的極性,并有兩根引線連接到裝在軸上的兩只滑環上面。磁場線圈是由一只小型直流發電機或蓄電池來激勵,在大多數同步電動機中,直流發電機是裝在電動機軸上的,用以供應轉子磁極線圈的勵磁電流。
由于這種同步電動機不能自動啟動,所以在轉子上還裝有鼠籠式繞組而作為電動機啟動之用。鼠籠繞組放在轉子的周圍,結構與異步電動機相似。
當在定子繞組通上三相交流電源時,電動機內就產生了一個旋轉磁場,鼠籠繞組切割磁力線而產生感應電流,從而使電動機旋轉起來。電動機旋轉之后,其速度慢慢增高到稍低于旋轉磁場的轉速,此時轉子磁場線圈經由直流電來激勵,使轉子上面形成一定的磁極,這些磁極就企圖跟蹤定子上的旋轉磁極,這樣就增加電動機轉子的速率直至與旋轉磁場同步旋轉為止。
2、轉子不需要勵磁的同步電機
轉子不勵磁的同步電動機能夠運用于單相電源上,也能運用于多相電源上。這種電動機中,有一種的定子繞組與分相電動機或多相電動機的定子相似,同時有一個鼠籠轉子,而轉子的表面切成平面。所以是屬于凸極轉子,轉子磁極是由一種磁化鋼做成的,而且能夠經常保持磁性。鼠籠繞組是用來產生啟動轉矩的,而當電動機旋轉到一定的轉速時,轉子凸極就跟住定子線圈的電流頻率而達到同步。凸極的極性是由定子感應出來的,因此它的數目應和定子上極數相等,當電動機轉到它應有的速度時,鼠籠繞組就失去了作用,維持旋轉是靠著轉子與磁極跟住定子磁極,使之同步。
3 同步電動機的起動
3.1同步電動機為什么不能直接起動?
同步電機僅在同步轉速時才能產生恒定的同步電磁轉矩。起動時若把定子直接投入電網,轉子加上直流勵磁,則定子旋轉磁場以同步轉速旋轉,而轉子磁場靜止不動。定、轉子磁場之間具有相對運動,所以作用在轉子上的電磁轉矩快速地正、負交變,平均轉矩為零,電機不能自行起動。因此,要把同步電動機起動起來,必須借助于其它方法。
3.2同步電動機的異步起動
多數同步電動機都用異步起動法來起動。為此,在電動機的主極極靴上裝設起動繞組(相當于感應電動機轉子上的籠型繞組)。
同步電動機異步起動時的線路如圖4所示。起動時,先把勵磁繞組接到限流電阻,然后接到三相交流電網。這洋,依靠定子旋轉磁場和轉子起動繞組中感應電流所產生的異步電磁轉矩,電機便能起動起來。待轉速上升到接進于同步轉速時,再將勵磁電流接入勵磁繞組,使轉子建立主磁場;此時依靠定、轉子磁場相互作用所產生的同步電磁轉矩,再加上凸極效應所引起的磁阻轉矩,通常便可將轉子牽人同步。一般來講,負載越輕,加人直流勵磁時電動機的轉差率越小,就越易進入同步。

圖4 同步電動機異步起動時的線路圖 圖5同步電動機異步起動時的轉矩曲線
起動繞組所產生的轉矩Te(起動)類似于感應電動機的異步電磁轉矩,如圖5所示。當轉速達到0.95ns(即轉差率=0.05)時,起動繞組所產生的異步轉矩值稱為牽人轉矩。起動時,要求起動轉矩Tst大,牽入轉矩Tpi也要大。
異步起動時,勵磁繞組不能開路,否則定子旋轉磁場會在匝數較多的勵磁繞組中感應出高電壓,易使勵磁繞組擊穿或引起人身事故。但也不能直接短路,否則勵磁繞組(相當于一個單相繞組)中的感應電流與氣隙磁場相作用,會產生顯著的“單軸轉矩”Te(單軸),使合成電磁轉矩Te在0.5ns附近產生明顯的下凹(見圖5),使重載起動時電動機的轉速停滯在0.5ns附近而不能繼續上升。為減小單軸轉矩,可在勵磁繞組內接人一個限流電阻,其阻值約為勵磁繞組本身電阻的5~10倍。
3.2.1同步電動機異步起動的Simulink仿真
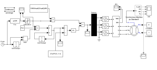
圖6 同步電動機異步起動的仿真模型
圖7 同步電動機異步起動的仿真結果
這個模型演示了一個60kVA 400V 50HZ的同步電動機的異步起動過程。在這個模型中,勵磁電流(Idf)和增益模塊(R_start)用于實現勵磁繞組的電阻聯結。通過在t =0.1s關閉斷路器,電機由空載起動。 開始勵磁繞組連接一個2倍標幺值的電阻,當轉子轉速達到0.99倍標幺值時,“R_start”電阻器從勵磁繞組端斷開,并由額定的勵磁直流電源取代。同時,一秒內機械功率從零增加到50%額定機械功率(即Pm= -0.5pu)。在大概t=1.3s時,電動機鎖定在同步轉速。
3.3同步電動機的變頻起動
同步電動機變頻啟動控制系統是大型同步電動機的理想啟動設備,具有起動平穩,不存在失步問題,對電網也完全沒有沖擊,可靠性高,具有較好的應用前景和較高的研究價值。這種方法通過改變定子旋轉磁場轉速,利用同步轉矩來起動。在開始起動時,轉子通入直流,然后使變頻電源的頻率從零緩慢上升,逐步增加到額定頻率,使轉子的轉速隨著定子旋轉磁場的轉速而同步上升,直到額定轉速。
3.3.1同步電動機變頻起動simulink仿真
圖8 同步電動機變頻起動仿真模型
圖9 同步電動機變頻起動時的頻率變化曲線
圖10 同步電動機變頻起動時受控源電壓波形
圖11 同步電動機變頻起動時的轉子轉速仿真結果
這個模型演示了一個同步電動機的變頻起動過程。在這個模型中,電機由受控電壓源供電,頻率按時間的正比變化從零逐漸增加到額定頻率。由于在額定頻率以下,如果電壓一定而只降低頻率,那么氣隙磁通就要過大,造成磁路飽和,嚴重時燒毀電動機。因此為了保持氣隙磁通不變,就要求在降低供電頻率的同時降低輸出電壓,保持u/f=常數,即保持電壓與頻率之比為常數進行控制。這種控制方式為恒壓頻比控制方式,又稱恒磁通控制方式。
從仿真結果分析,同步電動機變頻起動時電機的轉速曲線還比較理想。
4 結論
同步電動機以其可調的功率因數和輸出轉矩對電網電壓波動不敏感等良好的運行性能,在大功率電氣傳動領域獨占鰲頭,是驅動大型風機、水泵、壓縮機、高爐鼓風機、短路實驗機組的優選機型,更是抽水蓄能電站必不可少的關鍵設備。同步電動機的起動是一個復雜的過程,除了上述兩種方法外。還可以用輔助電動機拖動法起動,此時通常選用一臺和同步電動機極數相同的小型感應電動機(容量約為主機的10%-15%)作為輔助電動機。當輔助電機把主機拖到接近同步轉速時,再用自整步法把主機投入電網。
由于同步電動機存在起動困難的缺點,使它的應用在很大程度上受到了限制。通常采用的異步起動方法,依靠阻尼繞組進行起動,對電力系統的擾動將十分嚴重,一般是不允許的。但是隨著電力電子技術和計算機技術的發展,變頻裝置作為同步電動機的軟起動設備解決了同步電動機起動困難的問題,從根本上改變了同步電動機在調速領域的應用。
參考文獻:[1]電機學. 湯蘊璆. 史乃. 機械工業出版社. 2002
[2]電機及其系統的仿真分析. 電氣工程學院電機與電器系. 2002
[3]MATLAB軟件的使用(matlab的幫助文檔和網上查閱)
上一篇:Y一APF有源電力濾波器
下一篇:DZDW3000系列直流電源柜